0
Products
Synchronized Tapping
SynchroFlex II with straight
shank, ER collet, and internal coolant.
SynchroFlex II with straight
shank, Quick Change, and internal coolant.
SynchroFlex II with HSK shank,
ER collet, and internal coolant.
SynchroFlex II with HSK shank,
ER collet, and MQL (Minimum Quantity Lubrication)
SynchroFlex II with HSK shank,
Quick Change, and internal coolant
SynchroFlex II with Tapmatic
Capto shank, ER collet, and internal coolant
SynchroFlex II with Tapmatic
Capto shank, Quick Change, and internal coolant
SynchroFlex II with
Extended Length
Tension Compression Tap Chucks
SM with straight shank,
and Rubber Flex multi-range collet
SM with Morse Taper
and Rubber Flex multi-range collet
SM with straight shank,
and ER collet
TA with straight shank,
and Quick Change
TA with Morse Taper
and Quick Change
TIC with straight shank,
Quick Change, and
internal coolant
TIC with HSK shank,
Quick Change, and internal coolant
Self-reversing CNC tapping attachments
RDT and RCT
for steep taper shanks
RDT and RCT
with HSK shanks
Self-Reversing Manually Controlled Tapping Heads
RxII and 90xII
with Rubber-Flex collet chuck for tapping
Drill-n-Tap 50
with Quck Change chuck for drilling and tapping
Scribing
ScribeWriter Force II
Stylus Options
Dot Peen Marking
TapWriter
for steep taper shanks
TapWriter
with HSK shanks
Stamping
MH Marking Heads
with type holder
MH Marking Heads
with ER collet chuck
CNC Deburring Tool
DeBurr-Z
with straight shank and ER collet
Carbide Burs
For use with DeBurr-Z
Accessories
Steep Taper Shanks
ER-GB Tap Collets
Rubber Flex Multi Range Collets
ER Clamping Nuts
TC Type Torque Control Adapters
Quick-Change Collet Chuck Adapters for use with Rubber Flex Collets (RF)
Torque Bars
Arbors
ER Standard Collets
ER Seal Disks
P Type Positive Drive Quick Change Adapters
Quick Change Collet Chuck Adapters for use with ER Collets
Stop Blocks For CNC Machines
Scribing Stylus
Cross Reference Discontinued Products
Tapmatic Catalog
English
Deutsch
Español
Française
Italiana
Svensk
中文版本
Products Below By O.M.G.
Angle Heads
Spindle Speeders
Multi Spindle Heads
Fixed Spindle Heads
Adjustable Spindle Heads
O.M.G. CATALOG
Resources
Standard Tap Dimensions (DIN 376)
Standard Tap Dimensions (DIN 371)
Tapping Safety
What Speed Can I Run My Tap
Drill Selection Chart
Drill Size Factors
Drill Depth Clearance in Blind Holes
Tap Recommendations for Specific Materials
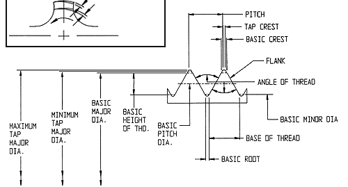
Terms For Tap Features
Common Thread Terms
Coarse Vs Fine Threads
Machine Recommendations for Cold Forming Taps
Tapping Torque and Horse Power
Tapping Torque Vs Thread Strength
Standard Tap Dimensions (ANSI Shanks)
Standard Tap Dimensions (DIN 374)
Standard Pipe Tap Dimensions (ANSI/DIN)
Surface Treatments For Taps
Tapping Formulas
Torque Setting Data For HSS Straight Flute Plug Taps
Torque Setting Data For Pipe Taps
Torque And Horsepower Calculation Factors
Troubleshooting
Class of Threads, H Limits
Tapping Checklist
Company
Find A Representative
North America
World Wide
Contact
Product Requests
Terms For Tap Features
Illustration of Tap Terms